Info Terbaru 2022

Ryobi Lawn Mower Parts List : Ryobi Petrol Lawn Mower Replacement Blades 2 Pack 4892210820105 Ebay : If the lawn mower's blade isn't engaging properly, the blade adapter may be stripped.

Ryobi Lawn Mower Parts List : Ryobi Petrol Lawn Mower Replacement Blades 2 Pack 4892210820105 Ebay : If the lawn mower's blade isn't engaging properly, the blade adapter may be stripped.
Ryobi Lawn Mower Parts List : Ryobi Petrol Lawn Mower Replacement Blades 2 Pack 4892210820105 Ebay : If the lawn mower's blade isn't engaging properly, the blade adapter may be stripped.

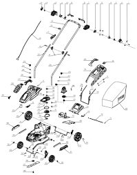
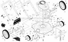
Ryobi Lawn Mower Parts List : Ryobi Petrol Lawn Mower Replacement Blades 2 Pack 4892210820105 Ebay : If the lawn mower's blade isn't engaging properly, the blade adapter may be stripped.. Buy a ryobi rlm4614 spare part or replacement part for your 46cm 140cc lawnmower and fix your machine today. Complete exploded views of all the major manufacturers. Parts lookup for ryobi power equipment is simpler than ever. If you don't know the manufacturer's part number, don't worry, we can help you try to find it using our interactive machine diagrams. There are no items in your default equipment list.

This is a primer and hose assembly, and it is used on various lawn equipment. Spare parts for ryobi garden pruners. Ryobi built its brand on manufacturing high quality, yet affordable, power tools for everyday use. Buy a ryobi rlm4614 spare part or replacement part for your 46cm 140cc lawnmower and fix your machine today. If you are looking for genuine ryobi spares, parts and accessories, look no further.

Ryobi Ry40lm30 Owner S Manual Manualzz
Ryobi Ry40lm30 Owner S Manual Manualzz from s3.manualzz.com
Ryobi lawn mower parts list reviewmotors.co. We have a huge range available. Popular ryobi lawn mower parts steering shaft. Ryobi parts list there are no products for this brand at this time or the page has moved. If you don't know the manufacturer's part number, don't worry, we can help you try to find it using our interactive machine diagrams. Ryobi ry40108 40 volt lawn mower parts. Ryobi rlm4614 spare parts list type: Spare parts for ryobi log splitters.

One of the most popular reasons this part is replaced, is that the gear on the shaft becomes.

Ry40107 the model number will be found on a label attached to the motor housing. Ryobi one plus+ ac80rl3 oem.080 inch twisted line and spool replacement for ryobi 18v, 24v, and 40v cordless trimmers (3 pack) 4.4 out of 5 stars 1,700 $15.95 $ 15. New equipment (lawn mowers, outdoor power equipment & more) new spares parts & accessories for 2020; Ry40107 the model number will be. If you prefer to order online please click the link below. This category includes genuine ryobi replacement parts and spares for the ryobi garden machinery range including replacement parts & spares for their lawn mowers, hedgetrimmers, chainsaws, brushcutters and more. If you are looking for genuine ryobi spares, parts and accessories, look no further. Ryobi ryac130 13 in lawn mower partswarehouse. Ryobi built its brand on manufacturing high quality, yet affordable, power tools for everyday use. The second part is the primer bulb or primer pump, and that. Ryobi ry40108 40 volt lawn mower parts. Lawn mower side discharge accessory (156) model# ac40vsd. Spare parts for ryobi grass shears.

Enter your model number in the search box above or just choose from the list below. 40 volt lawn mower mfg. Miscellaneous clips, retainers, spacers etc; Ryobi 48v cordless lawn mower ry14110 ereplacementparts com. Complete exploded views of all the major manufacturers.

Ryobi Electric Riding Mower
Ryobi Electric Riding Mower from cc831cbd7a5a3a616f82-5093119187eb17284bcf20613cda98f7.ssl.cf1.rackcdn.com
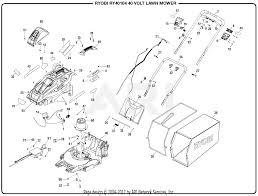
It is easy and free Ryobi rlm4614 spare parts list type: Please try one of the following suggestions to find. Ryobi built its brand on manufacturing high quality, yet affordable, power tools for everyday use. Spare parts for ryobi cultivators. It is located underneath the lawn mower deck, and cuts the grass by rotating. Homelite ry40107 20 in 40 volt lawn mower parts diagrams. Page 4 ryobi 20 in., 40v lawn mower − model no.

New equipment (lawn mowers, outdoor power equipment & more) new spares parts & accessories for 2020;

The first is the hose which is almost 5 inches long, and less than a 1/4 inch thick. Miscellaneous clips, retainers, spacers etc; Ryobi rm480e electric riding mower bagging blade (57) model# acrm003. This category includes genuine ryobi replacement parts and spares for the ryobi garden machinery range including replacement parts & spares for their lawn mowers, hedgetrimmers, chainsaws, brushcutters and more. A ryobi rlm5319smeb spare part or replacement for your. If you don't know the manufacturer's part number, don't worry, we can help you try to find it using our interactive machine diagrams. This is a primer and hose assembly, and it is used on various lawn equipment. Spare parts for ryobi log splitters. For those customers that prefer ordering by phone, simply contact the ryobi master parts distributor at the toll free number below, and place your order over the phone. Ryobi 20 in., 40v lawn mower − model no. Ry40107 the model number will be. Ry40108 figure a parts list the model number will be found on a label attached to the deck. Law (2 days ago) the tool parts.

This is a primer and hose assembly, and it is used on various lawn equipment. In addition, you'll have access to replacement part schematics. Ryobi lawnmowers ryobi cordless lawnmower. A ryobi rlm5319smeb spare part or replacement for your. Bagging blade for 40v brushless lawn mower

Https Images Eu Ssl Images Amazon Com Images I C1 Xeszyds Pdf
Https Images Eu Ssl Images Amazon Com Images I C1 Xeszyds Pdf from
Fig # 1 height adjustment bracket. Ryobi one plus+ ac80rl3 oem.080 inch twisted line and spool replacement for ryobi 18v, 24v, and 40v cordless trimmers (3 pack) 4.4 out of 5 stars 1,700 $15.95 $ 15. A ryobi rlm5319smeb spare part or replacement for your. Order your ryobi replacement parts online by clicking on the link below. With an incredible inventory of power tools, ryobi tools and accessories are used by millions, from professionals to hobbyists and everything in between. Tool parts direct carries over 10,000 ryobi parts and 5,000 ryobi tool parts schematics. For those customers that prefer ordering by phone, simply contact the ryobi master parts distributor at the toll free number below, and place your order over the phone. We have a huge range available.

Fig # 1 height adjustment bracket.

Buy ryobi rlm1451me spare parts and fix your 140cc 51cm mulch lawnmower today. Ryobi rm480e electric riding mower bagging blade (57) model# acrm003. A ryobi rlm5319smeb spare part or replacement for your. One of the most popular reasons this part is replaced, is that the gear on the shaft becomes. Ryobi lawnmowers ryobi cordless lawnmower. The first is the hose which is almost 5 inches long, and less than a 1/4 inch thick. Ryobi rlm4614 spare parts list type: Complete exploded views of all the major manufacturers. Ryobi ryac130 13 in lawn mower partswarehouse. Ryobi spares, parts & accessories. Page 4 ryobi 20 in., 40v lawn mower − model no. Law (2 days ago) the tool parts. Ry40107 the model number will be.

Advertisement

Iklan Sidebar

Adsense 728x90